產品系列
- 32.768KHz
- 石英晶振
- 貼片晶振
- 聲表面濾波器
- 陶瓷晶振
- 陶瓷霧化片
- 陶瓷濾波器
- 微孔霧化片
- CTS晶振
- KDS晶振
- 愛普生晶振
- 西鐵城晶振
- 精工晶體
- 村田晶振
- 京瓷晶振
- DST310S晶振
- 日本大河晶體
- NDK晶振
- 亞陶晶振
- 日本富士晶振
- NAKA晶振
- SMI晶振
- NKG晶振
- NJR晶振
- Q-Tech晶振
- ABRACON晶振
- VECTRON晶振
- JAUCH晶振
- ConnorWinfield晶振
- Rakon晶振
- ECS晶振
- Greenray晶振
- ECLIPTEK晶振
- GOLLEDGE晶振
- STATEK晶振
- Pletronics晶振
- SITIME晶振
- Microcrystal晶振
- RALTRON晶振
- AEK晶振
- AEL晶振
- ILSI晶振
- FOX晶振
- fujicom晶振
- CRYSTEK晶振
- interquip晶振
- Geyer晶振
- quartzcom晶振
- qantek晶振
- EUROQUARTZ晶振
- quarztechnik晶振
- Cardinal晶振
- FRE-TECH晶振
- KVG晶振
- wi2wi晶振
- Transko晶振
- suntsu晶振
- mmdcomp晶振
- MERCURY晶振
- MTRONPTI晶振
- ACT晶振
- MTI晶振
- Lihom晶振
- Rubyquartz晶振
- Oscilent晶振
- SHINSUNG晶振
- ITTI晶振
- PDI晶振
- IQD晶振
- Microchip晶振
- Silicon晶振
- Anderson晶振
- Fortiming晶振
- CORE晶振
- NIPPON晶振
- NIC晶振
- QVS晶振
- Bomar晶振
- Bliley晶振
- GED晶振
- FILTRONETICS晶振
- STD晶振
- Wenzel晶振
- NEL晶振
- EM晶振
- PETERMANN晶振
- FCD-Tech晶振
- HEC晶振
- FMI晶振
- Macrobizes晶振
- AXTAL晶振
- SUNNY晶振
- ARGO晶振
- Renesas瑞薩晶振
- SKYWORKS晶振
- NSK晶振
- 臺灣加高諧振器
- 臺灣鴻星晶體
- TXC晶振
- 臺灣希華晶振
- 臺灣泰藝晶體
- AKER晶振
晶振廠家
進口晶振
歐美晶振
臺產晶振
Tel:0755-27838351
Add:廣東深圳市寶安區67區留仙一路甲岸科技園3棟5樓
Email:konuaer@163.com
QQ:632862232
晶振官方博客
更多>>.jpg)

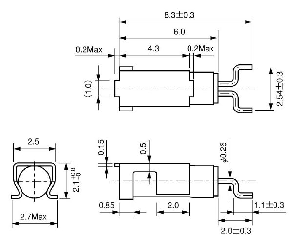
西鐵城晶體諧振器,CMJ206T晶振,石英水晶振子,彎腳晶振,32.768K晶振,"CMJ206T32768EZFT",超小型,薄型,質地輕的表面貼片音叉晶體諧振器,具備優良的耐熱性,耐環境特性,在辦公自動化,家電領域,移動通信領域可發揮優良的電氣特性,符合無鉛標,滿足無鉛焊接的回流溫度曲線要求,金屬外殼的...
☆☆☆☆☆☆☆☆☆☆☆☆☆☆☆☆☆☆☆☆☆☆☆☆☆☆☆☆☆☆☆☆☆☆☆☆☆☆☆
.gif)
| 西鐵城晶振規格 | 符號 | CMJ206T | 條件 | |
| 額定頻率范圍 | f_nom | 32.768KHZ | 3.0*10.3mm | 請聯系我們以便獲取其它可用頻率的相關信息 |
| 儲存溫度 | T_stg | -55°C to +125°C | 裸存 | |
| 工作溫度 | T_use | -40°C to +85°C | ||
| 激勵功率 | DL | 1.0μW Max | 如果你有最大激勵功率為1.0μW的需求,請聯系我們. | |
| 頻率公差(標準) | f_tol | ±20 × 10-6 | +25°C,DL=0.1μW如需更嚴格的公差,請聯系 | |
| 拐點溫度 | Ti | +25°C ±5°C | ||
| 頻率溫度系數 | B | -0.04 × 10-6/ °C2 Max. | ||
| 負載電容 | CL | 7pF, 9pF, 12.5pF | 可指定 | |
| 串聯電阻(ESR) | R1 | 70kΩ Max. | 70kΩ to 45kΩ | |
| 串聯電容 | C1 | 3.4fF Typ. | 3.7fF to 1.6fF | |
| 分路電容 | C0 | 1.35pF Typ | ||
| 頻率老化 | f_age | ±3 ×10-6 / year Max. | +25°C, 第一年 | |
.gif)


"CMJ206T32768EZFT", 這些晶體知識介紹是指,晶體在產品上線之后發生不良品或者沒反應的情況下,自檢辦法.石英晶振如果在電路上的功能不規則或根本無法全部晶振找出得到了應用操作,請使用以下的清單找出可能存在的問題.請按照確定的因素和可能的解決方案的說明.
我們從晶振使用輸出無信號開始尋找相關問題.我們可以先使用示波器或者頻率計數器來檢查石英晶體終端的兩個信號,如果沒有信號輸出,請按照步驟1-1到1-4步執行檢查.如果有從石英晶振(XOUT)的輸出端子的輸出信號,而是從在終端(辛)輸出沒有信號,請檢查石英晶振體以下step1-5到步驟1-6.
你可以先把晶體卸載下來并測試晶體的頻率和負載電容,看看他們是否能振動,也可以使用專業的石英晶體測試儀器來檢測 .如果你沒法檢測你也可以將不良品發送給我公司,我們檢測分析之后告訴你結果.
如果有下列情況發生,晶振不起振,首先你先查看你產品上使用的負載電容CL是否對,是否跟你的線路相匹配,或者是晶體的精度是否符合你的要求,或者你可以把產品發送回我公司分析.如果晶體頻率和負載電容跟要求相對應的話,我們將需要進行等效電路測試.比如等效電路測試如圖.
.jpg)
"CMJ206T32768EZFT", 西鐵城運用世界領先的小型精密技術發掘尚未被開發出來的、符合人們期待和需求的產品及“新的款式“,不斷創造出實際價值.這就是西鐵城集團的“Micro Human Tech”——想象力和科學技術碰撞交融后的結晶.
微型技術,是我們的領域.
人類,是我們的理念.
科學技術,是我們的基礎.
以鐘表為出發點,追求小型化及精密技術,在生產、加工、組裝等領域不斷創造出領先于世界的高精度、微細技術,展現西鐵城集團的“制造”的領域.
傳承西鐵城“為世界人民所喜愛所親近”的品牌命名的精神,呈現時刻關注人與生活,滿足人們的期待與希望的“制造”的理念.
運用優秀的精密加工、計量、省電、生產等方面的技術,呈現出簡單、高尚的設計與功能,揭示深受信賴的“制造”的基礎.


自從歐盟頒布各項綠色環保指令(如RoHS)后,世界各國已陸續制定公布相關之法令規章,推動「綠色產品」的發展."CMJ206T32768EZFT",西鐵城電子為了對環境與人類貢獻一己之力,導入綠色設計之概念,致力生產符合國際綠色環保指令與客戶特殊要求之產品.我們知道,人類的永續發展需要干凈的環境,如果我們產品中的物質會對環境造成污染,影響到人類生存的基本條件,不論產品的功能再先進再齊全,也無法對環境與社會帶來多大的幫助.
為追求生產綠色產品之目標,將環保理念納入采購流程中,采購人員于收集市場資訊時,優先提供符合「西鐵城電子無有害物質管理作業標準」之材料相關資訊予產品設計人員參考,并依其要求提供符合規范之樣品與規格.原材物料承認時,采購人員須請供應商填寫公司提供之問卷表單及相關RoHS檢測報告,經原材物料相關審驗單位審查通過后,方可使用.
.gif)
1.技術支持 2.客服咨詢
全方位技術指導,專業的技術支持讓您感受到 專業的銷售團隊,耐心為您解答任何疑問,讓您的
前所未有的后顧無憂. 消費得到保障.
3.質量保證,誠信為上 4.提升業績,降低成本
我司以“以科技為動力,以質量求生存”為理念. 為您的產品量身訂制,免費取樣,
為您做到低成本,高效率.

全方位技術指導,專業的技術支持讓您感受到 專業的銷售團隊,耐心為您解答任何疑問,讓您的
前所未有的后顧無憂. 消費得到保障.
3.質量保證,誠信為上 4.提升業績,降低成本
我司以“以科技為動力,以質量求生存”為理念. 為您的產品量身訂制,免費取樣,
為您做到低成本,高效率.

| 深圳市康華爾電子有限公司 |
| 電 話: +86-755-27838351 |
| 手 機:13823300879 |
| 傳 真: +86-755-27883106 |
| Q Q: 632862232 |
| MSN: konuaer@163.com |
| E-mail:konuaer@163.com |
| 網 址:http://m.jahson.com.cn |
| 地 址:深圳市寶安區67區留仙一路甲岸科技園3棟 |






銷售代表
售后服務