產品系列
- 32.768KHz
- 石英晶振
- 貼片晶振
- 聲表面濾波器
- 陶瓷晶振
- 陶瓷霧化片
- 陶瓷濾波器
- 微孔霧化片
- CTS晶振
- KDS晶振
- 愛普生晶振
- 西鐵城晶振
- 精工晶體
- 村田晶振
- 京瓷晶振
- DST310S晶振
- 日本大河晶體
- NDK晶振
- 亞陶晶振
- 日本富士晶振
- NAKA晶振
- SMI晶振
- NKG晶振
- NJR晶振
- Q-Tech晶振
- ABRACON晶振
- VECTRON晶振
- JAUCH晶振
- ConnorWinfield晶振
- Rakon晶振
- ECS晶振
- Greenray晶振
- ECLIPTEK晶振
- GOLLEDGE晶振
- STATEK晶振
- Pletronics晶振
- SITIME晶振
- Microcrystal晶振
- RALTRON晶振
- AEK晶振
- AEL晶振
- ILSI晶振
- FOX晶振
- fujicom晶振
- CRYSTEK晶振
- interquip晶振
- Geyer晶振
- quartzcom晶振
- qantek晶振
- EUROQUARTZ晶振
- quarztechnik晶振
- Cardinal晶振
- FRE-TECH晶振
- KVG晶振
- wi2wi晶振
- Transko晶振
- suntsu晶振
- mmdcomp晶振
- MERCURY晶振
- MTRONPTI晶振
- ACT晶振
- MTI晶振
- Lihom晶振
- Rubyquartz晶振
- Oscilent晶振
- SHINSUNG晶振
- ITTI晶振
- PDI晶振
- IQD晶振
- Microchip晶振
- Silicon晶振
- Anderson晶振
- Fortiming晶振
- CORE晶振
- NIPPON晶振
- NIC晶振
- QVS晶振
- Bomar晶振
- Bliley晶振
- GED晶振
- FILTRONETICS晶振
- STD晶振
- Wenzel晶振
- NEL晶振
- EM晶振
- PETERMANN晶振
- FCD-Tech晶振
- HEC晶振
- FMI晶振
- Macrobizes晶振
- AXTAL晶振
- SUNNY晶振
- ARGO晶振
- Renesas瑞薩晶振
- SKYWORKS晶振
- NSK晶振
- 臺灣加高諧振器
- 臺灣鴻星晶體
- TXC晶振
- 臺灣希華晶振
- 臺灣泰藝晶體
- AKER晶振
晶振廠家
進口晶振
歐美晶振
臺產晶振
Tel:0755-27838351
Add:廣東深圳市寶安區67區留仙一路甲岸科技園3棟5樓
Email:konuaer@163.com
QQ:632862232
晶振官方博客
更多>>.jpg)

ECS晶振,ECS-110.5-20-5PVX,6G無線網絡晶振,ECS進口晶振.CSM-7SSX貼片晶振,ECS-110.5-20-5PVX晶振,無源晶振,石英晶體,頻率11.0592MHz,負載20pF,工作溫度-10~70°C,頻率穩定性30ppm,低成本晶振,高品質晶振,6G無線網絡晶振,智能音響晶振,DVD家電影音系統晶振,電子體重秤晶振.
ECS晶振,ECS-110.5-20-5PVX,6G無線網絡晶振特點:
•低成本SMD晶體的絕佳選擇
•低調
•行業標準封裝
•無鉛/符合RoHS標準
•低成本SMD晶體的絕佳選擇
•低調
•行業標準封裝
•無鉛/符合RoHS標準
.gif)
ECS晶振,ECS-110.5-20-5PVX,6G無線網絡晶振參數表
| 參數 | 條件 | CSM-7SSX |
| 頻率 | 11.0592MHz | |
| 頻率公差 | at +25°C | ± 30PPM |
| 頻率穩定性 | -10°C to +70°C | ± 50PPM |
| 負載電容 | Specify in P/N | 20pF |
| 激勵功率 | DL | 500 μW Max |
| 工作溫度 |
Topr
|
-10°C to +70°C |
| 保存溫度 |
Topr
|
-55°C to +125°C |
| 并聯電容 |
Co
|
5.0 pF |
| 老化 | @ +25°C ±3°C | ±5ppm |
.gif)
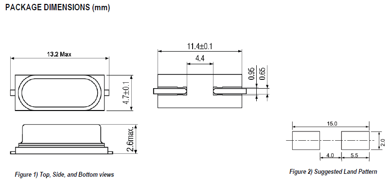
ECS晶振,ECS-110.5-20-5PVX,6G無線網絡晶振尺寸圖

| ECS原廠編碼 | 型號 | 頻率 | 頻率偏差 | 負載電容 | 工作溫度 | 包裝 |
| ECS-110.5-20-5PVX | CSM-7SSX | 11.0592MHz | ±30ppm | 20pF | -10°C ~ 70°C | HC49/US |
| ECS-120-18-5PVX | CSM-7SSX | 12MHz | ±30ppm | 18pF | -10°C ~ 70°C | HC49/US |
| ECS-120-32-5PVX | CSM-7SSX | 12MHz | ±30ppm | 32pF | -10°C ~ 70°C | HC49/US |
| ECS-122.8-20-5PVX | CSM-7SSX | 12.288MHz | ±30ppm | 20pF | -10°C ~ 70°C | HC49/US |
| ECS-143-20-5PVX | CSM-7SSX | 14.31818MHz | ±30ppm | 20pF | -10°C ~ 70°C | HC49/US |
| ECS-147.4-20-5PVX | CSM-7SSX | 14.7456MHz | ±30ppm | 20pF | -10°C ~ 70°C | HC49/US |
| ECS-160-20-5PVX | CSM-7SSX | 16MHz | ±30ppm | 20pF | -10°C ~ 70°C | HC49/US |
| ECS-184-20-5PVX | CSM-7SSX | 18.432MHz | ±30ppm | 20pF | -10°C ~ 70°C | HC49/US |
| ECS-200-20-5PVX | CSM-7SSX | 20MHz | ±30ppm | 20pF | -10°C ~ 70°C | HC49/US |
| ECS-240-20-5PVX | CSM-7SSX | 24MHz | ±30ppm | 20pF | -10°C ~ 70°C | HC49/US |
| ECS-245.7-20-5PVX | CSM-7SSX | 24.576MHz | ±30ppm | 20pF | -10°C ~ 70°C | HC49/US |
| ECS-250-20-5PVX | CSM-7SSX | 25MHz | ±30ppm | 20pF | -10°C ~ 70°C | HC49/US |
| ECS-270-20-5PVX | CSM-7SSX | 27MHz | ±30ppm | 20pF | -10°C ~ 70°C | HC49/US |
| ECS-35-18-5PVX | CSM-7SSX | 3.579545MHz | ±30ppm | 18pF | -10°C ~ 70°C | HC49/US |
| ECS-36-20-5PVX | CSM-7SSX | 3.6864MHz | ±30ppm | 20pF | -10°C ~ 70°C | HC49/US |
| ECS-40-20-5PVX | CSM-7SSX | 4MHz | ±30ppm | 20pF | -10°C ~ 70°C | HC49/US |
| ECS-60-20-5PVX | CSM-7SSX | 6MHz | ±30ppm | 20pF | -10°C ~ 70°C | HC49/US |
| ECS-80-20-5PVX | CSM-7SSX | 8MHz | ±30ppm | 20pF | -10°C ~ 70°C | HC49/US |
| ECS-98.3-20-5PVX | CSM-7SSX | 9.8304MHz | ±30ppm | 20pF | -10°C ~ 70°C | HC49/US |
.gif)
1.技術支持 2.客服咨詢
全方位技術指導,專業的技術支持讓您感受到 專業的銷售團隊,耐心為您解答任何疑問,讓您的
前所未有的后顧無憂. 消費得到保障.
3.質量保證,誠信為上 4.提升業績,降低成本
我司以“以科技為動力,以質量求生存”為理念. 為您的產品量身訂制,免費取樣,
為您做到低成本,高效率.

全方位技術指導,專業的技術支持讓您感受到 專業的銷售團隊,耐心為您解答任何疑問,讓您的
前所未有的后顧無憂. 消費得到保障.
3.質量保證,誠信為上 4.提升業績,降低成本
我司以“以科技為動力,以質量求生存”為理念. 為您的產品量身訂制,免費取樣,
為您做到低成本,高效率.

| 深圳市康華爾電子有限公司 |
| 電 話: +86-755-27838351 |
| 手 機:13823300879 |
| 傳 真: +86-755-27883106 |
| Q Q: 632862232 |
| MSN: konuaer@163.com |
| E-mail:konuaer@163.com |
| 網 址:http://m.jahson.com.cn |
|
地 址:廣東深圳市寶安寶安大道東95號浙商銀行大廈1905 |





銷售代表
售后服務